Baug- og hekkthruster
SAC240 baug/hekk thruster Ø250mm 400V LH
240kg thrust, horizontal install
-
PRO - VARIABLE SPEED CONTROL
Med et PRO™-thrustersystem kan du bruke akkurat den kraften som kreves for manøveren din. Den variable hastighetskontrollen eliminerer unødvendig støy, siden du ikke alltid trenger å kjøre systemet på 100%.
Med dobbelt oppsett (for og akter) får du også den praktiske hold-funksjonen som gjør at du kan stille inn et konstant trykk som holder båten mot brygga.
-
S-LINK™
S-Link™ er et CAN-basert system som brukes til kommunikasjon mellom Sleipner-produkter om bord i båten.
- Kompakte og vanntette kontakter
- Nøkkel- og fargekodede kontakter for å sikre korrekt og enkel installasjon
- Ulike kabellengder, forlengere og T-kontakter gjør systemet skalerbart og fleksibelt å installere
-
Q-PROP™
Q-Prop™-propellen har en målt støyreduksjon på opptil 75 % i kontrollerte miljøer. Den fembladede propellen reduserer støynivået samtidig som den opprettholder en eksepsjonell effektivitet. Noen baugpropellmodeller øker til og med skyvekraften.
- Forventet støyreduksjon i gjennomsnittlige installasjoner med 20-40 %
- Oppgraderingssett er tilgjengelig for de fleste Sleipner-propeller
-
FLEXIBLE INSTALLATION
Sleipner tilbyr fleksibel installasjon for å utnytte den tilgjengelige plassen. Våre thruster-modeller kan installeres i alle vinkler i tunnelen, og kan tilpasses slik at de passer til all tilgjengelig plass i båten din.
-
GALVANIC SEPARATION
Deler under båten som utsettes for sjøvann, er galvanisk isolert fra det elektriske systemet om bord, noe som eliminerer krypstrømmer.
-
SEALED DRIVE LUBRICATION
Baugpropellens girhus er oljefylt for livstidssmøring og forseglet med en mekanisk tetning av keramikk og karbon for maksimal sikkerhet mot vanninntrengning.
-
FLEXIBLE COUPLING
Den fleksible koblingen beskytter drivlinjen ved å kompensere for feiljustering mellom den elektriske motorakselen og girhuset.
-
TWIN COUNTER-ROTATING PROPELLERS
To motordrevne propeller er det som gir maksimal kraft ved et optimalt forhold i en minimal tunnel-diameter. Dette systemet benyttes i våre større baugpropeller for å oppnå høyest mulig effektivitet. Vårt sortiment av motroterende modeller er favorittvalget blant ledende yachtprodusenter.
Varenummer: SAC240/250-C-4L-H
SAC240 er en pålitelig thruster med 240 kg skyvekraft. Den kan monteres som baug- og hekkthruster og kjøres kontinuerlig uten behov for nedetid.
Enheten er tilpasset for horisontal montering og egner seg for båter mellom 42-75 fot/13-23 meter.
Et ideelt valg for tung bruk, for eksempel i kommersielle eller industrielle miljøer, hvor båten ofte er i konstant drift.
Fjernkontroll er et populært tilbehør. Se noen av de viktige produkt- og sikkerhetsfunksjonene nedenfor.
Sleipners AC-thrustere tilbyr fordelen med ubegrenset kjøretid, noe som muliggjør tyngre bruk. Hvert system er spesialbygd i henhold til båtens spesifikasjoner og arbeidsforhold.
Presis kontroll
Sleipners AC-thrustersystemer er nøyaktig matchet med generatorens kapasitet for å maksimere skyvekraften du får fra systemet.
Hver AC-motor styres via en variabel frekvensomformer (VFD) for å minimere oppstartsbelastning på strømsystemet og tillate presis kontroll over thrusteren med variabel turtallskontroll. Intet annet oppsett av VDF er nødvendig. PDC-301-driftskontrolleren konfigureres fra kontrollpanelet.
En elektromagnetisk kompatibilitet (EMC) er også inkludert for å redusere støyforstyrrelser på båtens strømsystem. I spesifikke tilfeller der sensitivt elektronikkutstyr er i bruk, er VDF-er med lav harmonisk forvrengning tilgjengelig.
Plug & Play installasjon
Det innovative SLlink™-kontrollsystemet sikrer en rask og problemfri installasjon, og gir deg det unike valget å kombinere hydrauliske og AC-thrustere i ett enkelt kontrollmiljø.
Alle Sleipners AC-systemer kan blandes og matches med hydrauliske og elektriske PRO™ systemer med sømløs integrering.
S-Link™ tilbyr full intelligent kommunikasjon mellom alle enheter i systemet, på lignende vis som et datanettverk.
Klar for installasjon
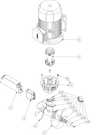
AC-thrustere leveres som et komplett installasjonssett som inkluderer følgende deler:
- PDC-301-driftskontroller
- Variabel frekvensomformer
- Girhus med propeller og brakett
- Fleksibel kobling
- AC-motor
- EMC-filter
Systemoversikt

VFD med lav harmonisk forvrengning
Et system med en standard VFD vil skape et visst forvrengningsnivå i AC-nettverket. Faktisk THD (total harmonisk forvrengning) i et system vil variere avhengig av andre belastninger, tilgjengelig generatorkapasitet, total generatorkapasitet osv.
I tillegg til standard VFD-er kan vi levere VFD-er med lav harmonisk forvrengning for installasjoner med spesifikke THD-krav.
Sleipner-systemer med en VFD med lav harmonisk forvrengning vil redusere den harmoniske forvrengningen til under 5 %, noe som gir følgende fordeler:
- Holder det elektriske nettverket rent
- Reduserer faren for forstyrrelser
- Forhindrer skade på annet utstyr
- Forhindrer forstyrrelser med kommunikasjonsutstyr
- Redusert behov for overdimensjonering av generatorene
PDC-301-driftskontroller
Med den nye PDC-301-driftskontrolleren har installasjonen blitt mye enklere:
- Kommunikasjon med VFD via Modbus-tilkobling
- Inkluderer en tretrådet kabel for tilkobling til VFD Modbus-klemmer
- Forbedret overvåking og diagnostikk gjør igangsetting og feilsøking enklere via logging av sanntidsdata og avlesning av tidligere feil.
- Fastvareoppgradering via S-Link™
-
Kvalitetsarven
Vi har levd og arbeidet med havet i hundre år. Derfor utvikler vi viktige funksjoner på en båt som hjelper deg når du er ute til sjøs som lar deg nyte båtlivet enda mer. Det var derfor du ville ha en båt, ikke sant?
-
Pålitelighet
Vi utvikler, produserer og følger våre løsninger til de er montert i et skrog. Vårt engasjement for detaljer sikrer at du kan stole på Sleipner-produktene dine for å gi deg den beste opplevelsen på vannet.
-
Vi er her
Vi bryr oss. Vårt globale forhandlernettverk er der for deg for å sikre optimal funksjon på ditt Sleipner-produkt år etter år. Derfor kan du stole på din Sleipner-løsning.